您好,欢迎进入贵州省煤炭工业协会 贵州省煤炭学会官网
贵州省煤炭工业协会 · 贵州省煤炭学会
Guizhou Coal Industry Association · Guizhou Coal Society
首页
协会学会概况
协会、学会简介
协会、学会驻会领导
协会不驻会副会长
学会不驻会副理事长
组织机构
综合管理部
会员工作部
业务发展部
资产财务部
《贵州煤炭》编辑部
专家委员会
学会专业委员会
协会经济和运销分会
会员之家
协会章程
学会章程
单位会员申请
个人会员申请
会员单位代表变更申请
新闻资讯
工作动态
行业资讯
会员新闻
重大活动
党建工作
评选表彰
尘肺病基金会
通知公告
联系我们
联系我们
通知公告
当前位置:
首页
通知公告
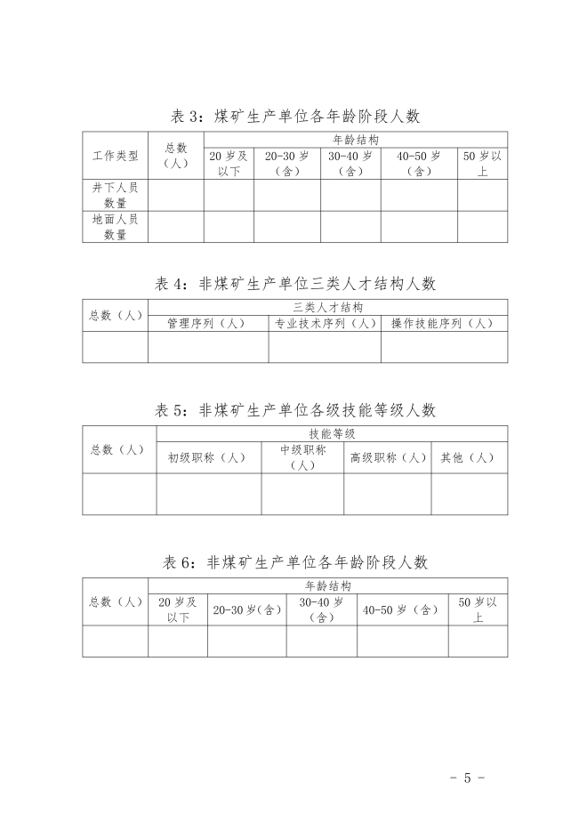
关于开展“十四五”期间煤炭行业人才培养及职工队伍素质提升专题调研工作的通知
2025/12/16
分享到
网站已关闭
您的网站已到期,请及时续费
联系电话:400-606-1198
关闭
微信扫码添加好友